减速比:
减速比:3/4/5/6/7/8/10
额定输出扭矩:55/50/60/55/50/45/40
最大输出扭矩:110/100/120/110/100/90/80
转动效率:≈95%
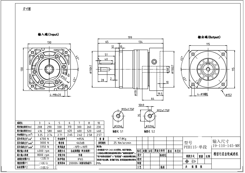
输入尺寸:19-110-145-M8
JAF系列
JAFR系列
PGH系列
PGHR系列