PEH-L1

减速比:

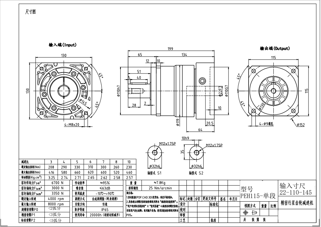
减速比:3/4/5/6/7/8/10

额定输出扭矩:55/50/60/55/50/45/40

最大输出扭矩:110/100/120/110/100/90/80

转动效率:≈95%

输入尺寸:22-110-145

性价比高 | 运行平稳 | 传动率高